 |
|
 |
| Автор |
Сообщение
|
Олег Сафронов

Зарегистрирован: Ср 9 Март 2011, 14:25
Сообщения: 80
Регион: Москва-Пчёлкино
|
Добавлено:
Сб 23 Декабрь 2017, 19:07
|
  |
Привет печному сообществу!
Кому-нибудь приходилось выводить сухой шов прямо в подъёмный/ные канал/ы? Как на рисунке. Чем это может быть чревато: плюсы и минусы - ваши соображения.
|
_________________ От качества нашей цели зависит качество нашей жизни. Печи Кузнецова своими руками.
| Описание: |
|
| Размер файла: |
294.81 КБ |
| Просмотров: |
1158 раз(а) |

|
|
|
    |
 |
Селиван Виктор
Проектировщик

Зарегистрирован: Сб 2 Январь 2010, 14:33
Сообщения: 6770
Регион: г.Челябинск
|
Добавлено:
Сб 23 Декабрь 2017, 19:14
|
  |
А где там сухой шов? Я увидел прогары(подсосы, эжекционные отверстия).
|
|
|
|
     |
 |
Евгений Колчин

Зарегистрирован: Чт 3 Октябрь 2002, 06:26
Сообщения: 10151
Регион: Москва
|
Добавлено:
Сб 23 Декабрь 2017, 20:05
|
  |
ща придет Stas он крупный спец в системе Кузнецова и все пояснит ...
вот и посмотрим, насколько глубоко он изучил СДГ
может он просто "диванный воин" )))
|
_________________ ************************************
|
|
      |
 |
stas

Зарегистрирован: Вт 29 Январь 2008, 22:53
Сообщения: 916
Регион: Москва
|
Добавлено:
Сб 23 Декабрь 2017, 21:33
|
  |
| Олег Сафронов писал(а): |
Привет печному сообществу!
Кому-нибудь приходилось выводить сухой шов прямо в подъёмный/ные канал/ы? Как на рисунке. Чем это может быть чревато: плюсы и минусы - ваши соображения. |
В печах Кузнецова (СДГ) сухой шов ОБЪЕДИНЯЕТ ТОПЛИВНИК И НИЖНИЙ КОЛПАК. Если Вы строите печи СДГ, вы должны делать это строго в соответствии с рекомендациями автора системы, Кузнецова И.В. Если Вы, судя по вопросу, хотите заниматься отсебятиной и делать печи своей конструкции, то Вам нельзя указывать, что Вы делаете печи Кузнецова, так как во-первых Вы будете вводить в заблуждение заказчиков, во вторых - есть большой риск, что ваша печь будет плохо работать.
|
|
|
|
    |
 |
Валер

Зарегистрирован: Вс 30 Март 2014, 09:18
Сообщения: 2363
Регион: Урал, Вишера
|
Добавлено:
Вс 24 Декабрь 2017, 05:03
|
  |
| Селиван Виктор писал(а): |
| А где там сухой шов? Я увидел прогары(подсосы, эжекционные отверстия). |
Тоесть еслиб в опускные - то СШ?
|
|
|
|
  |
 |
Александр Шалагин

Зарегистрирован: Пт 2 Январь 2009, 18:00
Сообщения: 1352
Регион: Москва
|
Добавлено:
Вс 24 Декабрь 2017, 07:48
|
  |
| Олег Сафронов писал(а): |
Привет печному сообществу!
Кому-нибудь приходилось выводить сухой шов прямо в подъёмный/ные канал/ы? Как на рисунке. Чем это может быть чревато: плюсы и минусы - ваши соображения. |
минусы:
1 поддымливание
2 неравномерный прогрев печи...растрескивание кладки
3 вторичный воздух в этой печи будет вреден
4. нарушится саморегуляция
5. печь превратится в противоточку...СДГ не будет
плюсы:
больше работы печникам
|
_________________ г. Москва, МКАД, 43-й километр, вл1
Печки-Лавочки
|
|
    |
 |
Евгений Колчин

Зарегистрирован: Чт 3 Октябрь 2002, 06:26
Сообщения: 10151
Регион: Москва
|
Добавлено:
Вс 24 Декабрь 2017, 10:14
|
  |
| stas писал(а): |
В печах Кузнецова (СДГ) сухой шов ОБЪЕДИНЯЕТ ТОПЛИВНИК И НИЖНИЙ КОЛПАК. |
т.о. два элемента печи имеют свою самостоятельность - топливник и колпак, но между ними имеется вертикальная щель (?)
тогда рассмотрим дальше
с топливником вроде все понятно - это там, где горят дрова
согласно патента туда должен поступать первичный, вторичный воздух и паро-водяная взвесь на раскаленные угли.
Колпак ... вот здесь уже сложнее.
Главную путаницу Кузнецов вносит своей фразой, которую вы озвучили.
Вспомним схему движения воздуха в бесканальной системе (колпаковой) по ГОСТ 2127-47 или посмотрим на колпаковую печь Грум-Гржимайло ... вот где настоящий колпак, отвечающий по всем определениям и движению в нем газов.
Колпак - не проходная объемная полость в которую дымовые газы поступают с низу и там же выходят. Вспомним опыт Подгородникова с перевернутым стаканом и дымящейся сигаретой под ним. Дым поднимается до дна стакана, остывает и опускается вниз. Но. Подгородников все же приставил сбоку стакана трубочку, т.е. трубу.
В патенте Кузнецова именно такая схема и запатентована, только добавлено не нужных наворотов - в частности подача на раскаленные угли пароводяной взвеси ...
Теперь я вам покажу настоящий колпак Подгородникова, а точнее печь двухярусный колпак (см. вложение)
Здесь топливник соответствует патенту Кузнецова (идея Подгородникова) и имеет подъемный канал (трубу) во второй колпак. Второй колпак выполнен по классической схеме.
Теперь по поводу схемы Кузнецова.
Согласно патента дымовые газы должны выходить из топки снизу и попадать в дымовую трубу (канал), как у Подгородникова. У Кузнецова этого не сделано а заменено вертикальной стенкой со щелью. Данная щель во время горения топлива никак не объединяет (по движению газов) топливник и полость в колпак. Газы движутся по равнозначным направлениям, как в канальной системе противотока. Заметьте, полости кузнецов не делает квадратными, а узкими, но широкими. Температуры в полости и топки разнятся в три раза (!)
Теперь по поводу прогаров (сухая щель) или по ТРОЛ - байпас. В данной схеме движения газов его надо делать на кратчайшем расстояние из топки в трубу. т.е. в перекрытие первого яруса. Площадь отверстия определяется по ТРОЛ.
Можете сделать прогар в полость (опускной канал) тогда он будет играть роль перепускного канала:
- при розжиге облегчать запуск печи
- при догорание углей подогревать низ опускного канала (полости или колпака по Кузнецову)
- после вытопа печи и закрытие задвижки печи объединять топку и полость в единое целое по движению газов вверх-вниз в топку и по кругу
Делать в подъемный канал не имеет смысла. Без причинно ослаблять кладку футеровки топливника. Последствия вам указал человек, испытавший это на практике, т.с. на своих ошибках.
| stas писал(а): |
| Вам нельзя указывать, что Вы делаете печи Кузнецова, так как во-первых Вы будете вводить в заблуждение заказчиков, во вторых - есть большой риск, что ваша печь будет плохо работать. |
ТС спросил только за то - можно или нельзя и делал ли кто
Вы же ему уже запрет наложили ...
|
_________________ ************************************
| Описание: |
|
| Размер файла: |
216.42 КБ |
| Просмотров: |
1007 раз(а) |

|
| Описание: |
|
| Размер файла: |
541.52 КБ |
| Просмотров: |
1093 раз(а) |

|
|
|
      |
 |
vladgri
Зарегистрирован: Пт 8 Октябрь 2010, 08:33
Сообщения: 1857
Регион: г.Павлодар
|
Добавлено:
Вс 24 Декабрь 2017, 13:42
|
  |
| Евгений Колчин писал(а): |
| Но. Подгородников все же приставил сбоку стакана трубочку, т.е. трубу. |
Без "трубы" теряется "чистота эксперимента".
Эта трубочка, как раз и демонстрирует, что дым от папиросы не идет напрямую в "трубу", а не иначе как после остывания на стенках. Ну и ещё, эта трубочка так же участвует во второй половине демонстрации(которую очевидно никто не знает).
|
_________________ Впрочем, обоснованная аргументация не вписывается в дискуссии, где тон задают демагогия и эмоции.
|
|
  |
 |
Vladimir-spb

Зарегистрирован: Вт 24 Январь 2017, 17:28
Сообщения: 1501
Регион: S-Pb
|
Добавлено:
Вс 24 Декабрь 2017, 13:43
|
  |
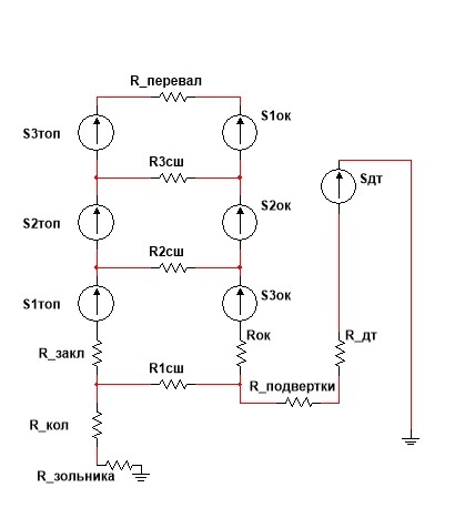
Попытался поразмыслить , что же дает такой байпасный канал (сухой шов по Кузнецову). Попробуем разобраться как он участвует в газодинамике печи. Нарисовал схемку сопротивлений и самотяг для конструкции, на базе которой Кузнецов презентует свою систему. Итак по ходу движения потока.
Поток встречает сопротивление зольника и колосника. Далее важный момент , поток преодолевает сопротивление закладки дров, которое одно из самых больших во всей цепочке. Начинается зона горения и поток разгоняет самотяга топливника. На рисунке я разбил топливник на три зоны . Зона уровня колосника(S1топ), зона над закладкой (S2топ) и зона свода (S3топ). Далее идет сопротивление перевала или хайла , в зависимости от конструкции. Потом газы идут по опускному каналу , встречая сопротивление самотяги опускного канала S1ок+S2ок+S3ок+Rок . Потом через подверку уходят в дымовую трубу с самтягой Sдт и сопротивлением R_дт.
Теперь определим место СШ в этой схеме. СШ по описанию Куз. соединяет топливник с полостью опускных вертикальной щелью. По аналогии с топливником разобьем СШ на три зоны по высоте.
Теперь прикинем как это все работает на различных режимах.
На этапе растопки потоку надо преодолеть всю цепочку сопротивлений, что довольно проблематично с учетом большого сопротивления закладки. Однако при наличии пути через R1сш , газы могут относительно легко обойти основную часть закладки , сопротивлеие перевала и опускного канала. Это безусловно облегчает запуск печи.
Когда наступает основной этап горения заклкадки и проблема движения газов решена тягой трубы, необходимо максимально правильно рапорядиьтся энергией горячих газов. Пиролизным газам необходимо время и пространство для полного сгорания, однако их некоторая часть , под воздействием тяги трубы попадает через СШ (R2сш R3сш ) в опускной канал, где условия для горения хуже чем в топливнике. С учетом того через R1сш в опускной попадает относительно холодный воздух, который так же охлаждает поток, шансов на догорание газов становится еще меньше. Это может привести в повышенному сажеобразованию.
На мой взгляд .. наличие шунтирующего байпасного канала (СШ) дает некоторые преимущества на этапе запуска, но на основном этапе я не вижу пользы от этой конструкции.
Все сказанное конечно IMHO )))
|
| Описание: |
|
| Размер файла: |
30.37 КБ |
| Просмотров: |
760 раз(а) |

|
|
|
   |
 |
vladgri
Зарегистрирован: Пт 8 Октябрь 2010, 08:33
Сообщения: 1857
Регион: г.Павлодар
|
Добавлено:
Вс 24 Декабрь 2017, 14:46
|
  |
| Vladimir-spb писал(а): |
| Нарисовал схемку |
Теперь давай объясни своей схемой следующее. Имеется котел, по типу КИК. Срок эксплуатации 7 лет, один из которых без "СШ". Приведу только те различия, которые определяются "невооруженным взглядом" т.е. без приборов.
1. Наблюдение за пламенем в топливнике
СШ. Пламя направлено точно вверх, даже при открытой дверке топливника.
без СШ. Пламя отклоняется в сторону хайла, а при открытой дверке начинает затухать.
2. Профилактика печи(чистка ежегодная)
СШ. В печи пепел с небольшими вкраплениями сажи. Дымоход чистый
бег СШ. В печи сажа, регистр зарос. Дымоход покрыт небольшим слоем сажи.
3. Сарай(мать его)
СШ. 5-7 тонн угля в год.
без СШ. 9 тонн угля(зима ничем не выдающаяся)
Вернул всё взад. На сегодня затрачено пару тон угля. т.е. всё "вернулось на круги своя".
ЗЫ. Ну насчет "схемок"..... Ты не К.Т.Н., случайно? А то может я напрасно своё время трачу.
|
_________________ Впрочем, обоснованная аргументация не вписывается в дискуссии, где тон задают демагогия и эмоции.
|
|
  |
 |
Валер

Зарегистрирован: Вс 30 Март 2014, 09:18
Сообщения: 2363
Регион: Урал, Вишера
|
Добавлено:
Вс 24 Декабрь 2017, 15:30
|
  |
Vladimir-spb, а почему R1сш минуя закладку? Если это холодный воздух, почему он устремится в трубу облегчая запуск? Наверно всётаки его надо сначала нагреть?
|
|
|
|
  |
 |
Vladimir-spb

Зарегистрирован: Вт 24 Январь 2017, 17:28
Сообщения: 1501
Регион: S-Pb
|
Добавлено:
Вс 24 Декабрь 2017, 15:59
|
  |
| vladgri писал(а): |
| Vladimir-spb писал(а): |
| Нарисовал схемку |
Теперь давай объясни.......... 5-7 тонн угля в год.
без СШ. 9 тонн угля(зима ничем не выдающаяся)
ЗЫ. Ну насчет "схемок"..... Ты не К.Т.Н., случайно? А то может я напрасно своё время трачу. |
На первый взгляд при байпасе идет дожигание вне топливника , а без него в топке не успевает сгореть. Котел то был изначально под что ? Под уголь или дрова? Может в этом дело?
Кстати .. дожигание при поступлении допвоздуха, еще раз говорит что никаких балластных газов через СШ не идет.
Да и почему " Чуть что сразу Косой".... )) Объясни , да объясни... сами то что думете , почему так у вас происходит
Насчет КТН .... не не... бог миловал... )) Не люблю я эти цацки )))
| Валер писал(а): |
а почему R1сш минуя закладку? Если это холодный воздух, почему он устремится в трубу облегчая запуск? Наверно всётаки его надо сначала нагреть?
|
Мимо закладки ... потому что CШ сделан практически сразу от колосника... Заклада имеет высоту и основной очаг горения все же выше среза CШ . А нагрев ,IMHO, тут не принципиален. Тем более на колоснике все же есть температура.. и мимо него воздух не пройдет.
|
|
|
|
   |
 |
Евгений Колчин

Зарегистрирован: Чт 3 Октябрь 2002, 06:26
Сообщения: 10151
Регион: Москва
|
Добавлено:
Вс 24 Декабрь 2017, 16:26
|
  |
| vladgri писал(а): |
| эта трубочка так же участвует во второй половине демонстрации(которую очевидно никто не знает). |
Вторая часть демонстрации уже идет с разогревом трубочки (дымовой трубы) и без поступления дыма в стакан от папиросы.
В этом случае идет имитация движения дымовых газов в печи при окончание топки и открытой задвижке печи.
Подгородников делает вывод, что за счет тяги дымовой трубы поступающий в перевернутый стакан воздух в центре идет по направлению к дымовой трубе, при этом затягивая частично дым из колпака перевернутого стакана.
Процесс остывания колпака идет, но медленней, чем в проточной полости. Этот эффект Подгородников назвал "газовой вьюшкой".
| vladgri писал(а): |
Приведу только те различия, которые определяются "невооруженным взглядом" т.е. без приборов.
|
Все это субъективно и говорит о том, что вы нарушили условия сжигания в топке, отсюда и перекос в худшую сторону.
Если вы что то меняете, то надо менять в комплексе.
Замените "катализатор" в котле на поворотную плиту и все изменится ... в лучшую сторону )))
|
_________________ ************************************
|
|
      |
 |
vladgri
Зарегистрирован: Пт 8 Октябрь 2010, 08:33
Сообщения: 1857
Регион: г.Павлодар
|
Добавлено:
Вс 24 Декабрь 2017, 16:59
|
  |
| Евгений Колчин писал(а): |
| Этот эффект Подгородников назвал "газовой вьюшкой". |
Да. Именно так.
| Евгений Колчин писал(а): |
Все это субъективно и говорит о том, что вы нарушили условия сжигания в топке, отсюда и перекос в худшую сторону.
Если вы что то меняете, то надо менять в комплексе.
Замените "катализатор" в котле на поворотную плиту и все изменится ... в лучшую сторону ))) |
У меня нет катализатора, как впрочем и баффла. Для котла все эти прелести неуместны.
|
_________________ Впрочем, обоснованная аргументация не вписывается в дискуссии, где тон задают демагогия и эмоции.
|
|
  |
 |
stas

Зарегистрирован: Вт 29 Январь 2008, 22:53
Сообщения: 916
Регион: Москва
|
Добавлено:
Вс 24 Декабрь 2017, 17:00
|
  |
| vladgri писал(а): |
| Vladimir-spb писал(а): |
| Нарисовал схемку |
Теперь давай объясни своей схемой следующее. Имеется котел, по типу КИК. Срок эксплуатации 7 лет, один из которых без "СШ". Приведу только те различия, которые определяются "невооруженным взглядом" т.е. без приборов.
1. Наблюдение за пламенем в топливнике
СШ. Пламя направлено точно вверх, даже при открытой дверке топливника.
без СШ. Пламя отклоняется в сторону хайла, а при открытой дверке начинает затухать.
2. Профилактика печи(чистка ежегодная)
СШ. В печи пепел с небольшими вкраплениями сажи. Дымоход чистый
бег СШ. В печи сажа, регистр зарос. Дымоход покрыт небольшим слоем сажи.
3. Сарай(мать его)
СШ. 5-7 тонн угля в год.
без СШ. 9 тонн угля(зима ничем не выдающаяся)
Вернул всё взад. На сегодня затрачено пару тон угля. т.е. всё "вернулось на круги своя". |
Очень хорошо. Я всегда говорил, что Кузнецов прежде всего практик. Многие хорошие открытия делаются интуитивно, и не сразу поддаются пониманию широкого большинства. Повторюсь, Игорь Викторович представил свою систему по принципу разумной достаточности - прежде всего для практикующих печников и заказчиков печей. Практика определяет. Теория без практики мертва.
|
|
|
|
    |
 |
vladgri
Зарегистрирован: Пт 8 Октябрь 2010, 08:33
Сообщения: 1857
Регион: г.Павлодар
|
Добавлено:
Вс 24 Декабрь 2017, 17:04
|
  |
| Vladimir-spb писал(а): |
На первый взгляд при байпасе идет дожигание вне топливника , а без него в топке не успевает сгореть. Котел то был изначально под что ? Под уголь или дрова? Может в этом дело? |
Под уголь, понятное дело.
| Vladimir-spb писал(а): |
Кстати .. дожигание при поступлении допвоздуха, еще раз говорит что никаких балластных газов через СШ не идет. |
Не вижу логики. Ты же вроде программист?
| Vladimir-spb писал(а): |
Да и почему " Чуть что сразу Косой".... )) Объясни , да объясни... |
Дык, назвался груздем...
| Vladimir-spb писал(а): |
сами то что думете , почему так у вас происходит
|
Я не думаю, я знаю.
|
_________________ Впрочем, обоснованная аргументация не вписывается в дискуссии, где тон задают демагогия и эмоции.
|
|
  |
 |
vladgri
Зарегистрирован: Пт 8 Октябрь 2010, 08:33
Сообщения: 1857
Регион: г.Павлодар
|
Добавлено:
Вс 24 Декабрь 2017, 17:10
|
  |
| stas писал(а): |
Очень хорошо. Я всегда говорил, что Кузнецов прежде всего практик. Многие хорошие открытия делаются интуитивно, и не сразу поддаются пониманию широкого большинства. Повторюсь, Игорь Викторович представил свою систему по принципу разумной достаточности - прежде всего для практикующих печников и заказчиков печей. Практика определяет. Теория без практики мертва. |
Всё может быть и так. Но. Если бы я делал котёл сейчас, то сделал бы иначе.
|
_________________ Впрочем, обоснованная аргументация не вписывается в дискуссии, где тон задают демагогия и эмоции.
|
|
  |
 |
stas

Зарегистрирован: Вт 29 Январь 2008, 22:53
Сообщения: 916
Регион: Москва
|
Добавлено:
Вс 24 Декабрь 2017, 17:13
|
  |
| Евгений Колчин писал(а): |
...т.о. два элемента печи имеют свою самостоятельность - топливник и колпак, но между ними имеется вертикальная щель (?)
тогда рассмотрим дальше... |
Посыл неправильный изначально, так как, насколько я знаю, Игорь Викторович говорит о том, что топливник и колпак (нижний) это единое целое, и единство достигается за счет сухого шва.
|
|
|
|
    |
 |
stas

Зарегистрирован: Вт 29 Январь 2008, 22:53
Сообщения: 916
Регион: Москва
|
Добавлено:
Вс 24 Декабрь 2017, 17:19
|
  |
| vladgri писал(а): |
| stas писал(а): |
Очень хорошо. Я всегда говорил, что Кузнецов прежде всего практик. Многие хорошие открытия делаются интуитивно, и не сразу поддаются пониманию широкого большинства. Повторюсь, Игорь Викторович представил свою систему по принципу разумной достаточности - прежде всего для практикующих печников и заказчиков печей. Практика определяет. Теория без практики мертва. |
Всё может быть и так. Но. Если бы я делал котёл сейчас, то сделал бы иначе. |
Конструктивных людей в свободе никто не ограничивает. Так как Вы делаете сами и для себя, то допустимо сделать экспериментальный вариант, и затем в течении нескольких лет посмотреть, что получится. А потом, если сочтете нужным, и порассуждать. Согласны?
|
|
|
|
    |
 |
Шура

Зарегистрирован: Чт 8 Январь 2009, 20:09
Сообщения: 4171
Регион: Москва - Тамбов
|
Добавлено:
Вс 24 Декабрь 2017, 17:45
|
  |
| vladgri писал(а): |
...Если бы я делал котёл сейчас, то сделал бы иначе. |
Как именно? По типу пиролизника?
|
|
|
|
   |
 |
|
|
|
Следующая тема
Предыдущая тема
Вы не можете начинать темы Вы не можете отвечать на сообщения Вы не можете редактировать свои сообщения Вы не можете удалять свои сообщения Вы не можете голосовать в опросах Вы не можете добавлять приложения в этом форуме Вы можете скачивать файлы в этом форуме
|
|