 |
|
 |
| Автор |
Сообщение
|
Artem
Зарегистрирован: Пт 10 Июль 2009, 10:38
Сообщения: 4
|
Добавлено:
Пт 10 Июль 2009, 14:46
|
  |
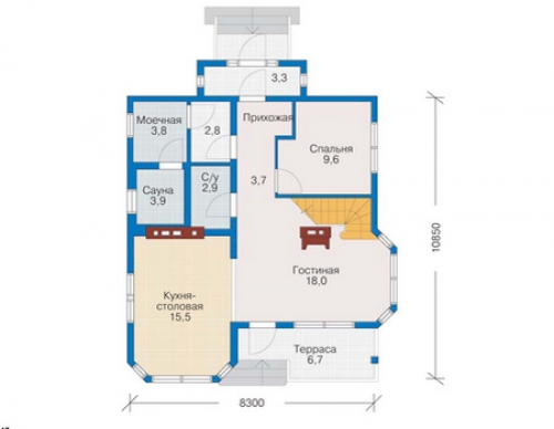
Уважаемые профи!
На следующей неделе планирую заказать и оплатить рабочий проект для такого дома. Отопление на первых порах планируется только печное. Вопрос такой: какие изменения на стадии разработки можно внести в проект, чтобы эффект от печки был максимальным. И в том числе распространялся и на второй этаж. Может подвигать стены, лестницу или поменять положение печи.
Дом будет брусовой, а печь хотелось бы с камином по системе Кузнецова.
Если заодно порекомендуете вид печи, будет замечательно.
Сауна в доме не планируется, соответственно на кухне только вентиляция. Интересует именно правая, отопительная печь.
Спасибо.
|
| Описание: |
|
| Размер файла: |
79.14 КБ |
| Просмотров: |
898 раз(а) |

|
|
|
  |
 |
Андрей Ищенко
Проектировщик
Зарегистрирован: Вт 7 Февраль 2006, 10:08
Сообщения: 2946
Регион: Пенза
|
Добавлено:
Пт 10 Июль 2009, 19:03
|
  |
|
     |
 |
Artem
Зарегистрирован: Пт 10 Июль 2009, 10:38
Сообщения: 4
|
Добавлено:
Пт 10 Июль 2009, 19:36
|
  |
Посмотрел, печи очень красивые. Но если честно, понимание не наступило (
Если я хочу поставить печь там, где она указана на плане, справа, то будет ли от нее тепло в спальне на первом этаже и на втором.
И на какой стадии начинать проектирование печи?
|
|
|
|
  |
 |
Евгений Колчин

Зарегистрирован: Чт 3 Октябрь 2002, 06:26
Сообщения: 10144
Регион: Москва
|
Добавлено:
Пт 10 Июль 2009, 20:12
|
  |
Артем, печь расчитывается для отопления контура, т.е. того замкнутого помещения, где она установлена и прогреть смежные через стенку, без ее удаления, не в состояние.
Рекомендую для понимания http://stove.ru/index.php?lng=0&rs=10
|
|
|
|
      |
 |
Artem
Зарегистрирован: Пт 10 Июль 2009, 10:38
Сообщения: 4
|
Добавлено:
Вс 12 Июль 2009, 15:13
|
  |
Евгений, спасибо за просвещение. По результатам прочитанного был выбран другой проект, называется 11-94. Комментарии есть к планам. Там же один вопрос. Теперь самое главное. Если бы я не заморачивался с печкой, то просто с этим планом, пошел бы к строителям, они бы мне сделали рабочий проект, план фундамента, нарезали чашек на брус, собрали бы дом и все. Но насколько я понимаю, фундамент надо планировать с учетом фундамента для печи. Это раз. Во-вторых, если я принимаю решение делать печь, то мне надо дать строителям параметры это печи. Т.е. по идее, я с этим планом должен идти сначала не к строителям, а к печнику, правильно понимаю? А печнику достаточно будет этих условных картинок? Или он потребует рабочий проект дома и получится замкнутый круг?
|
| Описание: |
| Предполагаю, что это будет печь, с камином и варочной поверхностью, обращенными в одну сторону. Сторона закладки не принципиальна. |
|
| Размер файла: |
22.41 КБ |
| Просмотров: |
901 раз(а) |

|
| Описание: |
| Правильно ли я понимаю, что для обогрева спален на втором этаже, достаточно, чтобы печка выступала на метр. |
|
| Размер файла: |
15.13 КБ |
| Просмотров: |
872 раз(а) |

|
|
|
  |
 |
Андрей Ищенко
Проектировщик
Зарегистрирован: Вт 7 Февраль 2006, 10:08
Сообщения: 2946
Регион: Пенза
|
Добавлено:
Вс 12 Июль 2009, 19:09
|
  |
По печке: Зачем вам варочная плита? Кушания получаются вкусней в Хлебной Камере - аналог Русской печи. Если поставить большую топочную дверку в гостинной, то можно наслаждаться видом огня через стекло, и решается вопрос с неудачным расположением камина. Печь с достаточным запасом по мощности, может конвективно отопить второй этаж. Вот воплощенный проект с отоплением второго этажа, через прочистные дверки.
|
_________________ +7 962 974-10-94 Viber WhatsApp
+7 962 399-59-39
|
|
     |
 |
Евгений Колчин

Зарегистрирован: Чт 3 Октябрь 2002, 06:26
Сообщения: 10144
Регион: Москва
|
Добавлено:
Вс 12 Июль 2009, 21:02
|
  |
Артем, вот этот проект уже более менее подходит под печное отопление. То что вы пририсовали печь на максимальное возможное отопление то же верно.
Теперь вам надо найти исполнителя работ и с ним точно согласовать проект, его привязку к плану и определиться с фундаментом.
Продумайте функционал вашей печи, насколько вам необходима варочная панель (будете ли вы на ней вообще что готовить), нужна ли духовка, хлебная камера, зачем камин на кухне (поскольку гостинная у вас в другом месте). Не делайте фундамент как предложат строители. Обычный вариант метр-на-метра и в таком случае у вас даже труба не пройдет ни с одной стороны печи без нарушений ППБ.
Второе, уточните у проектной организации что и сколько можно вырезать в стене после сборки при прохождение двухэтажной печи. По хорошему они могут и не дать добро на вырезку почти все стены с оставлением только трех венцов на стяжку. Тогда им надо продумать дополнительные верхние стяжные брусья, опять же отталкиваясь от проекта.
Фундамент все же лучше лить на стадии заливки общего. Так гораздо проще и рациональней. Если фундаментом захочется заниматься печнику, то оставьте ему это удовольствие. Стены резать уже по фактической раскладке кирпича, т.е по месту. Это конечно даст отход древесины (бревна) со стен, но может и помочь отложить строительство печи на срок и в то же время жить в доме со вспомогательным отоплением.
|
_________________ ************************************
|
|
      |
 |
|
|
|
Следующая тема
Предыдущая тема
Вы не можете начинать темы Вы не можете отвечать на сообщения Вы не можете редактировать свои сообщения Вы не можете удалять свои сообщения Вы не можете голосовать в опросах Вы не можете добавлять приложения в этом форуме Вы можете скачивать файлы в этом форуме
|
|