 |
|
 |
| Автор |
Сообщение
|
Батурин Иван
Зарегистрирован: Ср 27 Сентябрь 2006, 21:36
Сообщения: 17
Регион: Екатеринбург
|
Добавлено:
Чт 6 Март 2008, 15:33
|
  |
Всем привет!
По просьбе общественности, делюсь своими впечатлениями
Печь с котлом есть, эксплуатируется вторую зиму.
1. Топка печи в холодное время года никаких проблем не вызывает. Дымления печи и камина нет. В теплое время года, особенно после длительного простоя растапливается плохо, скапливается холодный воздух температурой ниже наружной с вытекающими проблемами. Нужно греть печь с открытой летней задвижкой. Но это при совсем нерегулярной топке в начале осени.
Печь хорошо работает, когда она сильно не остывает. Ну это более-менее правило для всех массивных кирпичных печей.
2. Есть проблема с выпадением конденсата в трубе . Большая часть трубы идет по теплому помещению и только 2 метра вне его.
Температура выходящих газов из второго колпака явно ниже нормы (от 80 градусов, измерял термопарой). Хочу в постоянном режиме измерять температуру на выходе из трубы и тогда попробовать оптимизировать работу так, чтобы всегда было около 100 градусов. В частности, работой с частично открытой задвижки летнего хода (или просверленным дырках в ней).
Такое впечатление, что что-то в печи спроектировано не совсем корректно.
3. Сама печь нагревается отлично (при регулярной топке 1-2 раза в сутки), оба колпака. Особенно одна из стенок (единственная свободная, ровная) от пола до верха второго колпака.
4. К камину претензий нет, работает, не дымит.
5. Тяга очень хорошая, может быть даже слишком. Печь начинает шуметь при зазоре вьюжки от 1.5-2 см вне зависимости от положения заслонки летнего хода. Думается, что как раз слишком большая тяга - большой объем свежего воздуха приводит к недостаточно высокой температуре отходящих газов.
6. Разводка воды: от котла на 2 этаж (примерно + 3 метра от патрубка), потом по кругу вдоль стены совсем чуть-чуть выше радиаторов второго этажа (под подоконниками). Отводы к радиаторам 1 и 2 этажа все от этой раздающей горизонтальной трубы. Обратка идет в том же направлении и собирает воду с радиаторов и замыкая круг приходит к входному патрубку котла. Нижняя магистраль идет с небольшим уклоном к котлу, совсем с небольшим . В такой системе суммарное сопротивление току воды в первом приближении равно для всех радиаторов вне зависимости от из расположения. Вся разводка металлопластиком (магистраль 32 мм, отводы к радиаторам 26 мм).
Радиаторы алюминиевые, 7-10 секций, всего 4 шт. На радиаторах стоят ручные регулировочные вентили (без всякого автоматического регулирования). Отвод/подвод к котлу (включая место где насос, терморегулятор и т.п.) сделан медью 28/22 мм.
7. Рабочее давление 2 атм. Расширительный бак мембранный на 24 литра, стоит внизу около входного патрубка, до насоса. Общий объем системы порядка 100 литров. Точнее не считал.
8. На обратке стоит смеситель (терморегулятор), подмешивающий в обратку горячую воду с выхода котла для того, чтобы температура в котле была всегда высокая. Реально 40-60 градусов. Иначе на котле будет конденсат с вытекающими последствиями.
9. Когда печь теплая и вода в котле тоже, система быстро нагреваются и радиаторы начинают давать тепло. Штатная температура воды в системе около 60 градусов. Держит температуру не очень долго, и это, в первом приближении, не зависит от термоизоляции дома. Вода в контуре отдает свое тепло через радиаторы (которые будучи алюминиевыми достаточно эффективные). Подогрев от печи после окончания топки недостаточен для того, чтобы нагревать много воды до температуры 50-60 градусов. Поэтому поток воды в системе циркуляции относительно быстро слабеет (вода начинает циркулировать в основном по малому кругу, поддерживая температуру обратки)... Если выкрутить терморегулятор на минимум, то вода будет циркулировать заметно дольше, но печь сильнее охладится и дольше будет разогреваться при следующей топке. Потом придется снова крутить терморегулятор. С автоматикой я тут не заморачивался, ибо стоит она не по детски дорого .
То есть печь после того, как уже протопится, является достачно низкотемпературным нагревателем. В идеале к печи нужен еще теплоаккумулятор на пару кубов воды . Вот тогда действительно будет класс. Так, чтобы вода в нем автоматически при топке нагревалась. Мне, к сожалению, пока сделать такой бак не очень светит. Подпол маленький, очень близко скальное основание - копать просто не куда...
10. В целом, температура в доме очень хорошо держится . Вполне комфортно. Однако, при этом стоит учесть особенность - почти все пространство дома имеет хорошее сообщение друг с другом... Второй свет между этажами, от которого площадь второго этажа отделена лишь перилами, тут же лестница. На 1 этаже немного выделена кухня и спальная.
11. Штатно система работает с насосом. При отключении электроэнергии переходит на естественную циркуляцию без манипуляций. Для этого стоит лепестковый обратный клапан, пропускающий воду в прямом направлении если насос не работает. Естественно, мимо терморегулятора. При естественной циркуляции вода на выходе греется до 80-90, обратка ощутимо холодная (вода успевает значительно охладиться в радиаторах). За работу в режиме ЕЦ пришлось поставить толстые трубы... А это очень сказалось на бюджете.
В общем, суммируя: системой в целом доволен.
Если был бы газ, то я бы без колебаний использовал газ .
Нужно добавлять еще электричество для аварийного подогрева, когда уезжаем на 2-3 дня или более. Вот только пока в сомнениях что греть - печь, как советует Кузнецов, или прямо воду установив дополнительно простенький электрокотел (теновый или электродный).
Цена системы, конечно, получается очень недетская . Даже с тем небольшим количеством радиаторов и простенькой разводкой, как у меня. Просто с печью не сравнить (печь с котлом сильно дороже + вся разводка)...
Несколько сумбурно и в беспорядке, но экспромт .
Будут еще вопросы - пишите
P.S. Дом еще не до конца утеплен (1 этаж, фундамент) и живем мы там две недели . До этого топили, занимались отделкой, но реально не жили, по утрам босиком по полу не ходили, так что по реальным морозам пока ничего не скажу (сейчас было до -15).
|
| Описание: |
|
| Размер файла: |
306.96 КБ |
| Просмотров: |
1204 раз(а) |

|
| Описание: |
|
| Размер файла: |
270.16 КБ |
| Просмотров: |
1202 раз(а) |

|
| Описание: |
|
| Размер файла: |
318.61 КБ |
| Просмотров: |
1204 раз(а) |

|
Последний раз редактировалось: Батурин Иван (Чт 6 Март 2008, 16:05), всего редактировалось 1 раз |
|
  |
 |
Батурин Иван
Зарегистрирован: Ср 27 Сентябрь 2006, 21:36
Сообщения: 17
Регион: Екатеринбург
|
Добавлено:
Чт 6 Март 2008, 16:06
|
  |
Вот еще фото
|
| Описание: |
|
| Размер файла: |
353.67 КБ |
| Просмотров: |
1165 раз(а) |

|
|
|
  |
 |
Васильев Илья

Зарегистрирован: Сб 29 Декабрь 2007, 22:10
Сообщения: 256
Регион: *Печное Ателье* Архангельск +79115555911
|
Добавлено:
Чт 6 Март 2008, 18:52
|
  |
Иван! Большое Спасибо!
Если будет возможность, нарисуйте пожалуйста график изменения температур.
|
_________________ Ubi Victoria, ibi Concordia.
|
|
     |
 |
Чуриков Александр

Зарегистрирован: Чт 18 Май 2006, 07:25
Сообщения: 2293
Регион: Санкт-Петербург
|
Добавлено:
Чт 6 Март 2008, 21:08
|
  |
Интересно, какая масса печи и площадь отапливаемого дома. Утеплён ли полностью дом. То есть выполнен ли полностью тепловой контур.
|
_________________ +7-921-742-16-92 Услуги печника. Кладка печей, мангалов, банных печей, чертежи
***********************************************************************
|
|
     |
 |
Батурин Иван
Зарегистрирован: Ср 27 Сентябрь 2006, 21:36
Сообщения: 17
Регион: Екатеринбург
|
Добавлено:
Пт 7 Март 2008, 12:38
|
  |
| Васильев Илья писал(а): |
Иван! Большое Спасибо!
Если будет возможность, нарисуйте пожалуйста график изменения температур. |
Это в планах .
|
|
|
|
  |
 |
Батурин Иван
Зарегистрирован: Ср 27 Сентябрь 2006, 21:36
Сообщения: 17
Регион: Екатеринбург
|
Добавлено:
Пт 7 Март 2008, 12:40
|
  |
| Чуриков Александр писал(а): |
| Интересно, какая масса печи и площадь отапливаемого дома. Утеплён ли полностью дом. То есть выполнен ли полностью тепловой контур. |
Дом 7х9 метров, второй этаж мансардный 6х9. Второй свет занимает часть второго этажа - около 3.5х4 м.
Мансарда утеплена по каркасу минватой 150 мм, потолок 200 мм. Стены 1 этажа пока брус, не утеплены. Планируется утеплить с вентилируемым зазором еще 100 мм минваты и обшить изнутри и снаружи.
Масса - не знаю . Размеры в плане 1.4х1.5 м примерно, высота основной части 2.2-2.3 м. Не помню, сколько ушло кирпичей, к сожалению.
|
|
|
|
  |
 |
Чуриков Александр

Зарегистрирован: Чт 18 Май 2006, 07:25
Сообщения: 2293
Регион: Санкт-Петербург
|
Добавлено:
Пт 7 Март 2008, 14:59
|
  |
Дело в том, что у Вас печь с плитой. Большая часть тепла идёт на нагрев воздуха, а не теплоносителя. Я бы не стал так делать. Да и масса невелика по моему. Для такого дома я бы выбрал печь с большей массой и без плиты.
|
_________________ +7-921-742-16-92 Услуги печника. Кладка печей, мангалов, банных печей, чертежи
***********************************************************************
Последний раз редактировалось: Чуриков Александр (Пт 7 Март 2008, 21:25), всего редактировалось 1 раз |
|
     |
 |
Батурин Иван
Зарегистрирован: Ср 27 Сентябрь 2006, 21:36
Сообщения: 17
Регион: Екатеринбург
|
Добавлено:
Пт 7 Март 2008, 15:35
|
  |
| Чуриков Александр писал(а): |
| Беда втом, что у Вас печь с плитой. Большая часть тепла идёт на нагрев воздуха, а не теплоносителя. Я бы не стал так делать. Да и масса невелика по моему. Для такого дома я бы выбрал печь с большей массой и без плиты. |
Беда не беда не знаю . В принципе сознательно так делали, еду то готовить нужно на чем-то. Есть привозной газ, но он временами заканчивается.
Кроме того, печь находится в отапливаемом объеме дома, фактически по центру. Тепло от самой печи идет очень долго. Нагрев теплоносителя нормальный, просто объем теплоносителя таков, что он быстро отдает свое тепло. А нагрев теплоносителя от горячей печи, но не работающей печи осуществляется через воздушную среду, что априори не очень эффективно за счет низкой эффективности теплопередачи. Суммарной поверхности теплообменника недостаточно.
Как я уже говорил, если позволить воде циркулировать по кругу, без терморегулирования, то она долго будет теплая, но температура на входе в котел будет низковатая....
В общем, по всей совокупности результатов я печью доволен. Ведь результат это не супер эффективный котел, а комфортное тепло в доме . в этом, считаю, цель достигнута.
|
|
|
|
  |
 |
Евгений Колчин

Зарегистрирован: Чт 3 Октябрь 2002, 06:26
Сообщения: 10144
Регион: Москва
|
Добавлено:
Пт 7 Март 2008, 19:59
|
  |
Здесь беды никакой нет.
Принцип построения такой печи (плита, духовка, камин) с открытой поверхностью отдачи и встроенный котел имеют свое оправданное применение, в том числе и в вашем случае.
В чистом виде котел для отопления с бОльшей инерцией на теплоноситель делается, как отдельное от всех остальных функций, так и обязательно утепляется.
Еще учесть что дом у вас не полностью доделан и утеплен.
|
_________________ ************************************
|
|
      |
 |
Батурин Иван
Зарегистрирован: Ср 27 Сентябрь 2006, 21:36
Сообщения: 17
Регион: Екатеринбург
|
Добавлено:
Вт 11 Март 2008, 11:46
|
  |
| Евгений Колчин писал(а): |
| В чистом виде котел для отопления с бОльшей инерцией на теплоноситель делается, как отдельное от всех остальных функций, так и обязательно утепляется. |
Да, это понятно.
|
|
|
|
  |
 |
S.Vladimir
Гость
|
Добавлено:
Чт 3 Апрель 2008, 18:26
|
  |
Уважаемый Батурин Иван хочу получить некоторые уточнения. Вопросы в приложениях.
|
| Описание: |
|
| Размер файла: |
40.33 КБ |
| Просмотров: |
1503 раз(а) |

|
| Описание: |
|
| Размер файла: |
13.05 КБ |
| Просмотров: |
1310 раз(а) |

|
|
|
|
 |
Батурин Иван
Зарегистрирован: Ср 27 Сентябрь 2006, 21:36
Сообщения: 17
Регион: Екатеринбург
|
Добавлено:
Пт 4 Апрель 2008, 11:15
|
  |
| S.Vladimir писал(а): |
| Уважаемый Батурин Иван хочу получить некоторые уточнения. Вопросы в приложениях. |
1. Откуда и куда ведут эти трубы: к мембранному баку на 24 литра (максимум 0.5 метра до него).
2. Расширительный бак стоит на верхней трубе (см. п.1.) Нижняя труба - обратка.
3. Про управление насосом не очень понял...
Потерей тепла не происходит, насос продолжает циркулировать воду по радиаторам с постепенным уменьшением температуры теплоносителя. Циркуляция между котлом и баком: не понял, что имеется в виду. Бак расширительный он вне циркуляции - это просто отросток для компенсации избыточного давления.
4. "Развилки". Левая - сброс с предохранительного клапана - на улицу тонкой медной трубой (около 10 мм). Правая это для циркуляции теплоносителя по малому кругу обратно на вход котла (к термостату) - для поддержания на входе котла температуры не ниже 50 градусов.
|
|
|
|
  |
 |
МаксимAл
Зарегистрирован: Пн 16 Июнь 2008, 13:12
Сообщения: 50
Регион: Южно-Сахалинск
|
Добавлено:
Вс 22 Июнь 2008, 11:07
|
  |
Прошу уточнить, каков объем топки, какой объем дров закладываете, сколько закладок делается для протопки, сколько протопок в сутки в морозы. Т.е. как происходит в принципе режим топки.
|
|
|
|
  |
 |
МаксимAл
Зарегистрирован: Пн 16 Июнь 2008, 13:12
Сообщения: 50
Регион: Южно-Сахалинск
|
Добавлено:
Вс 22 Июнь 2008, 14:52
|
  |
| Батурин Иван писал(а): |
| S.Vladimir писал(а): |
| Уважаемый Батурин Иван хочу получить некоторые уточнения. Вопросы в приложениях. |
3. Про управление насосом не очень понял...
Потерей тепла не происходит, насос продолжает циркулировать воду по радиаторам с постепенным уменьшением температуры теплоносителя. Циркуляция между котлом и баком: не понял, что имеется в виду. Бак расширительный он вне циркуляции - это просто отросток для компенсации избыточного давления.
|
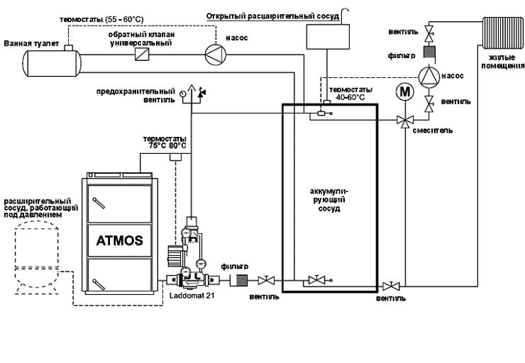
Это актуально в случае использования теплоаккамуляторов. Т.е. когда котел преркратит гореть то через него прекращают гнать воду, и циркуляция идет через теплоаккамулятор.
Прилагаю стандарную схему. Все производители и рекомендуют в таких схемах отрубать данный насос (или аналогичный в такой схеме) при прекращении горения. Это необходимо, что бы не происходило потерь тепла через котел "в обратку". - Регуляторы поддувала естественно открывают доступ воздуха с падением температуры в котле. А теплообменник он и есть теплообменник, тепло идет от более теплого к более холодному.
Хочу себе так же зацепить.
|
| Описание: |
| схема с использованием ладомата21. Вот его и выключают при прекращении горения. Насос в кругу отопления при этом "смешивает" воду из теплоаккамулятора. |
|
| Размер файла: |
43.81 КБ |
| Просмотров: |
1383 раз(а) |

|
|
|
  |
 |
Батурин Иван
Зарегистрирован: Ср 27 Сентябрь 2006, 21:36
Сообщения: 17
Регион: Екатеринбург
|
Добавлено:
Вт 24 Июнь 2008, 10:23
|
  |
| МаксимAл писал(а): |
| Прошу уточнить, каков объем топки, какой объем дров закладываете, сколько закладок делается для протопки, сколько протопок в сутки в морозы. Т.е. как происходит в принципе режим топки. |
Объем топки примерно 30 шир х 40выс х 80 см дл. Топка чуть шире стандартной дверцы, на некотором расстоянии от дверцы опускается вниз на толщину кирпича и там лежит колосник длиной см 40. По дровам объем достаточно небольшой (не больше), в сравнении с другими печками которые топил (за счет меньшей ширины топки).
Закладки для полноценного нагрева печи 2-3.
2 при двукратной топке, 3 скорее при однократной. Закладки горят относительно быстро - около 45м - час.
При двухразовой топке печь все время горячая, если не очень холодно, можно топить 1 заброску.
|
|
|
|
  |
 |
Батурин Иван
Зарегистрирован: Ср 27 Сентябрь 2006, 21:36
Сообщения: 17
Регион: Екатеринбург
|
Добавлено:
Вт 24 Июнь 2008, 10:27
|
  |
| МаксимAл писал(а): |
Это актуально в случае использования теплоаккамуляторов. Т.е. когда котел преркратит гореть то через него прекращают гнать воду, и циркуляция идет через теплоаккамулятор.
Прилагаю стандарную схему. Все производители и рекомендуют в таких схемах отрубать данный насос (или аналогичный в такой схеме) при прекращении горения. Это необходимо, что бы не происходило потерь тепла через котел "в обратку". - Регуляторы поддувала естественно открывают доступ воздуха с падением температуры в котле. А теплообменник он и есть теплообменник, тепло идет от более теплого к более холодному.
Хочу себе так же зацепить. |
Да, это понятно. У меня теплоаккумулятора нет (может быт пока нет).
Печь не совсем котел - она продолжает отдавать тепло после окончания топки и только постепенно остывает.
Плюс печь у меня сама активно греет помещение, т.к. находится в центре дома.
|
|
|
|
  |
 |
МаксимAл
Зарегистрирован: Пн 16 Июнь 2008, 13:12
Сообщения: 50
Регион: Южно-Сахалинск
|
Добавлено:
Вт 24 Июнь 2008, 15:11
|
  |
| Батурин Иван писал(а): |
Печь не совсем котел - она продолжает отдавать тепло после окончания топки и только постепенно остывает.
|
Согласен, вероятно надо по дымогарному датчику включать насос, а по температуре в подаче выключать (т.е. по условию дымогарный и подача "холодные"). Тогда все красиво будет, быстрый прогрев в контуре печи при старте, и продолжение отбора накопленного тепла после прекращения топки, ведь печь сама по себе теплоаккамулятор, чем и хороша.
|
|
|
|
  |
 |
Батурин Иван
Зарегистрирован: Ср 27 Сентябрь 2006, 21:36
Сообщения: 17
Регион: Екатеринбург
|
Добавлено:
Вт 24 Июнь 2008, 15:16
|
  |
| МаксимAл писал(а): |
Согласен, вероятно надо по дымогарному датчику включать насос, а по температуре в подаче выключать (т.е. по условию дымогарный и подача "холодные"). Тогда все красиво будет, быстрый прогрев в контуре печи при старте, и продолжение отбора накопленного тепла после прекращения топки, ведь печь сама по себе теплоаккамулятор, чем и хороша. |
Да, надо подумать на этим
|
|
|
|
  |
 |
Александр Бочаров
Зарегистрирован: Пт 30 Октябрь 2009, 21:40
Сообщения: 54
Регион: Вельск
|
Добавлено:
Сб 31 Октябрь 2009, 23:40
|
  |
Здравствуйте, Иван!
Собираюсь на своей даче построить котел и сделать разводку отопления медью. Котел будет почти как Ваш (он еще в проекте). Мой вопрос собственно не по котлу, а по разводке труб. Изучил несколько форумов по отоплению, но не нашел интересующую меня информацию по диаметрам медных труб для гравитационной системы. А так же мучает вопрос по возможности создания системы с естественной циркуляцией закрытого типа. У Вас, как я понимаю, как раз такая система + насос.
Теперь вопросы к Вам как к владельцу системы.
Как я понял у Вас система двутрубная и радиаторы подключены параллельно друг другу. (если нет прошу поправить) Или верхний и нижний радиатор последовательно?
| Батурин Иван писал(а): |
6. Разводка воды: от котла на 2 этаж (примерно + 3 метра от патрубка), потом по кругу вдоль стены совсем чуть-чуть выше радиаторов второго этажа (под подоконниками). Отводы к радиаторам 1 и 2 этажа все от этой раздающей горизонтальной трубы.
Обратка идет в том же направлении и собирает воду с радиаторов и замыкая круг приходит к входному патрубку котла. Нижняя магистраль идет с небольшим уклоном к котлу, совсем с небольшим . В такой системе суммарное сопротивление току воды в первом приближении равно для всех радиаторов вне зависимости от из расположения. Вся разводка металлопластиком (магистраль 32 мм, отводы к радиаторам 26 мм).
Радиаторы алюминиевые, 7-10 секций, всего 4 шт. На радиаторах стоят ручные регулировочные вентили (без всякого автоматического регулирования). Отвод/подвод к котлу (включая место где насос, терморегулятор и т.п.) сделан медью 28/22 мм.
|
Получается горячий стояк на второй этаж - медь на 28 мм. Далее, если я правильно понял переход на пластик - горизонтальный стояк выполнен трубой 32 мм отводы к радиаторам идут от него 26 мм на оба этажа. Правильно?
Обратка идет по первому этажу. интересует её диаметр - ??? Какая часть обратки выполнена медью на 22 мм ???
Радиаторы Вы поставили алюминиевые, но алюминий и медь нежелательно ставить вместе. Почему не чугун?
Достаточно ли прогреваются радиаторы на первом этаже? Прогреваются полностью или частично (верхняя часть горячее чем нижняя)?
| Батурин Иван писал(а): |
8. На обратке стоит смеситель (терморегулятор), подмешивающий в обратку горячую воду с выхода котла для того, чтобы температура в котле была всегда высокая. Реально 40-60 градусов. Иначе на котле будет конденсат с вытекающими последствиями.
11. Штатно система работает с насосом. При отключении электроэнергии переходит на естественную циркуляцию без манипуляций. Для этого стоит лепестковый обратный клапан, пропускающий воду в прямом направлении если насос не работает. Естественно, мимо терморегулятора. При естественной циркуляции вода на выходе греется до 80-90, обратка ощутимо холодная (вода успевает значительно охладиться в радиаторах). За работу в режиме ЕЦ пришлось поставить толстые трубы... А это очень сказалось на бюджете.
|
Что за смеситель? Нужен ли он в системе с ЕЦ без насоса.
И еще пару вопросиков.
Каким припоем паяли медь (твердый, мягкий)?
Что за муфты - переходники стоят с регистра на медную трубу?
Заранее благодарен за ответы.
|
|
|
|
    |
 |
|
|
|
Следующая тема
Предыдущая тема
Вы не можете начинать темы Вы не можете отвечать на сообщения Вы не можете редактировать свои сообщения Вы не можете удалять свои сообщения Вы не можете голосовать в опросах Вы не можете добавлять приложения в этом форуме Вы можете скачивать файлы в этом форуме
|
|