Некоммерческое партнерство Альянс Печных Дел Мастера
 RSS  • FAQ  •  Поиск  •  Пользователи  •  Группы   •  Регистрация   •  Избранные темы   •  Профиль  •  Войти и проверить личные сообщения  •  Чат  •  Вход





 Доброго вечера. И опять ПТОУ 2500 Следующая тема
Предыдущая тема
Начать новую темуОтветить на тему
Автор Сообщение
Кузнец111



Зарегистрирован: Чт 9 Июль 2015, 22:44
Сообщения: 110
Регион: Могилев -РБ

СообщениеДобавлено: Чт 9 Июль 2015, 23:18 Ответить с цитатойВернуться к началу

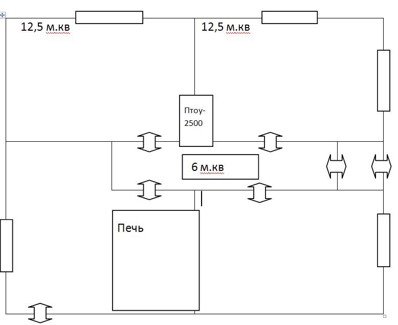
В доме с постоянным проживанием планирую установить ПТОУ 2500 общая площадь отапливаемых комнат в районе 31 м.кв (2 жилых приблизительно 25 метров и коридор 6 метров). 2 вопроса:
1) хватит ли этой печи для отапливания этих помещений?
2) старый щиток был с трубой над топочной дверцой. Можно ли сделать данную печь с таким разворотом? Размер старого щитка был 3 на 4 кирпича.

_________________
Юрий


Печь.JPG
 Описание:
 Размер файла:  30.46 КБ
 Просмотров:  789 раз(а)

Печь.JPG



ПТОУ 2500 вариант.JPG
 Описание:
 Размер файла:  37.06 КБ
 Просмотров:  738 раз(а)

ПТОУ 2500 вариант.JPG


Посмотреть профильОтправить личное сообщение
internet_pechnik



Зарегистрирован: Вт 9 Апрель 2013, 19:51
Сообщения: 1892
Регион: belarus

СообщениеДобавлено: Пт 10 Июль 2015, 06:14 Ответить с цитатойВернуться к началу

Кузнец111 писал(а):
В доме с постоянным проживанием планирую установить ПТОУ 2500 общая площадь отапливаемых комнат в районе 31 м.кв (2 жилых приблизительно 25 метров и коридор 6 метров). 2 вопроса:
1) хватит ли этой печи для отапливания этих помещений?
2) старый щиток был с трубой над топочной дверцой. Можно ли сделать данную печь с таким разворотом? Размер старого щитка был 3 на 4 кирпича.

1). еле-еле хватит, а сделанная из шамота нижняя часть будет перегреваться. Лучше таки сделать как было---прежняя печь длиной 4 кирпича. а лучше 4,5. Ширина будет 2,5 кирпича, зато топливник будет из красного (витебского конечно же) футерованный шамотом наребро. (Шамот ША-8 -в ОМА).
2)Печь можно сделать с любым пасположением трубы Sad
Посмотреть профильОтправить личное сообщение
Шура



Зарегистрирован: Чт 8 Январь 2009, 20:09
Сообщения: 4171
Регион: Москва - Тамбов

СообщениеДобавлено: Пт 10 Июль 2015, 07:30 Ответить с цитатойВернуться к началу

Кузнец111 писал(а):

1) хватит ли этой печи для отапливания этих помещений?
2) старый щиток был с трубой над топочной дверцой. Можно ли сделать данную печь с таким разворотом? Размер старого щитка был 3 на 4 кирпича.

1) Лучше чуть увеличить(см вложение).
2) Что за разворот?
ЗЫ. конструкция устаревшая, лучше сделать в двухконтурном исполнении...



2015-07-10_072715.jpg
 Описание:
 Размер файла:  93.67 КБ
 Просмотров:  760 раз(а)

2015-07-10_072715.jpg


Посмотреть профильОтправить личное сообщениеОтправить e-mail
Кузнец111



Зарегистрирован: Чт 9 Июль 2015, 22:44
Сообщения: 110
Регион: Могилев -РБ

СообщениеДобавлено: Пт 10 Июль 2015, 08:17 Ответить с цитатойВернуться к началу

internet_pechnik писал(а):

1). еле-еле хватит, а сделанная из шамота нижняя часть будет перегреваться. Лучше таки сделать как было---прежняя печь длиной 4 кирпича. а лучше 4,5. Ширина будет 2,5 кирпича, зато топливник будет из красного (витебского конечно же) футерованный шамотом наребро. (Шамот ША-8 -в ОМА).
2)Печь можно сделать с любым пасположением трубы Sad


Доброго дня.

1 ) Перегрев-причина? 4,5 на 2,5 сомневаюсь -старый фундамент 100 на 80. ОП 2 ссылку на порядовку бросьте если можно. Витебский есть разница в цехах?(или все глазками и ручками. Первая печь Confused )
2 ) вот вариант и бросил с таким расположением. он будет жить? или каким либо другим путем можно было трубу вывести?

_________________
Юрий
Посмотреть профильОтправить личное сообщение
Кузнец111



Зарегистрирован: Чт 9 Июль 2015, 22:44
Сообщения: 110
Регион: Могилев -РБ

СообщениеДобавлено: Пт 10 Июль 2015, 08:32 Ответить с цитатойВернуться к началу

Шура писал(а):

1) Лучше чуть увеличить(см вложение).
2) Что за разворот?
ЗЫ. конструкция устаревшая, лучше сделать в двухконтурном исполнении...

Приветствую.
1 ) Тянуть по длинне на кирпич или менее?
2) В оригинале хайло с тыла. В моем варианте (с целью вывести трубу на лицо) верх печи с 13 ряда полностью развернут и хайло стало на топочной дверцей.

_________________
Юрий
Посмотреть профильОтправить личное сообщение
Кузнец111



Зарегистрирован: Чт 9 Июль 2015, 22:44
Сообщения: 110
Регион: Могилев -РБ

СообщениеДобавлено: Сб 11 Июль 2015, 23:06 Ответить с цитатойВернуться к началу

После устройства фундамента выяснились реальные размеры бывшей печи - 3 на 3,5 кирпича. С учетом предложенной и принятой к работе футеровки вообщем то ПТОУ на эти размеры и выходит. Пока так и не ясно чем чреват разворот верхней части печи? Будут ли здесь подводные камни? Может великодушное сообщество печников поможет развеять сомнения в этих вопросах? Заранее благодарствую Surprised

_________________
Юрий
Посмотреть профильОтправить личное сообщение
internet_pechnik



Зарегистрирован: Вт 9 Апрель 2013, 19:51
Сообщения: 1892
Регион: belarus

СообщениеДобавлено: Вс 12 Июль 2015, 13:05 Ответить с цитатойВернуться к началу

печь слишком проста и мала для подводных камней
Посмотреть профильОтправить личное сообщение
Кузнец111



Зарегистрирован: Чт 9 Июль 2015, 22:44
Сообщения: 110
Регион: Могилев -РБ

СообщениеДобавлено: Пн 13 Июль 2015, 20:44 Ответить с цитатойВернуться к началу

internet_pechnik доброго вечера. Не подскажете футеровка по такому варианту http://air-hot.ru/index.php/pechiikaminy/otopitelnyepechi/107-op-2x2 будет не плохо?[/url]

_________________
Юрий
Посмотреть профильОтправить личное сообщение
internet_pechnik



Зарегистрирован: Вт 9 Апрель 2013, 19:51
Сообщения: 1892
Регион: belarus

СообщениеДобавлено: Вт 14 Июль 2015, 06:04 Ответить с цитатойВернуться к началу

конечно лучше чем наплашку. Особенно если зазор сделать 1 см. Вот тока топка сузится немного бо 6,5+6,5+1=14см
Посмотреть профильОтправить личное сообщение
Кузнец111



Зарегистрирован: Чт 9 Июль 2015, 22:44
Сообщения: 110
Регион: Могилев -РБ

СообщениеДобавлено: Вт 14 Июль 2015, 10:36 Ответить с цитатойВернуться к началу

internet_pechnik писал(а):
конечно лучше чем наплашку. Особенно если зазор сделать 1 см. Вот тока топка сузится немного бо 6,5+6,5+1=14см

Доброго утра, internet_pechnik. Не понятно откуда 14 см? Confused

_________________
Юрий


кирпич.JPG
 Описание:
 Размер файла:  34.42 КБ
 Просмотров:  757 раз(а)

кирпич.JPG


Посмотреть профильОтправить личное сообщение
Шура



Зарегистрирован: Чт 8 Январь 2009, 20:09
Сообщения: 4171
Регион: Москва - Тамбов

СообщениеДобавлено: Вт 14 Июль 2015, 11:53 Ответить с цитатойВернуться к началу

Кузнец111 писал(а):

1 ) Тянуть по длинне на кирпич или менее?
2) В оригинале хайло с тыла. В моем варианте (с целью вывести трубу на лицо) верх печи с 13 ряда полностью развернут и хайло стало на топочной дверцей.

1. на пол-кирпича.
2. тогда лучше сделать так(см вложение), но в двух-контурном исполнении, с облицовкой на ребро.



2015-07-14_114351.jpg
 Описание:
 Размер файла:  45.92 КБ
 Просмотров:  755 раз(а)

2015-07-14_114351.jpg


Посмотреть профильОтправить личное сообщениеОтправить e-mail
Кузнец111



Зарегистрирован: Чт 9 Июль 2015, 22:44
Сообщения: 110
Регион: Могилев -РБ

СообщениеДобавлено: Вт 14 Июль 2015, 20:23 Ответить с цитатойВернуться к началу

Шура писал(а):

2. тогда лучше сделать так(см вложение), но в двух-контурном исполнении, с облицовкой на ребро.



Twisted Evil
Доброго вечера, Шура. Что получим по характеристикам в таком варианте исполнения? И может где есть данной печи? По внешнему виду похоже на 2х колпаковый вариант. Топка футеровка шамотом на ребро я так понимаю + облицовка обыкновенным? Будет ли прогреваться хотя бы середина или сразу все вверх до первой перекрыши? Но вариант интересный Smile

_________________
Юрий
Посмотреть профильОтправить личное сообщение
Шура



Зарегистрирован: Чт 8 Январь 2009, 20:09
Сообщения: 4171
Регион: Москва - Тамбов

СообщениеДобавлено: Вт 14 Июль 2015, 20:37 Ответить с цитатойВернуться к началу

Кузнец111 писал(а):
... По внешнему виду похоже на 2х колпаковый вариант.

На самом деле, это доработанная ПТОУ, которая не является чисто колпаковой, у неё колпак только в верхнем ярусе.
Кузнец111 писал(а):

Топка футеровка шамтом на ребро я так понимаю + облицовка обыкновенным?

Я говорил о двух-контурном конструктиве, с шамотным ядром(на ребро). Облицовка может быть хоть на ребро, хоть на плашку и вообще, из любого подходящего материала(камень, тротуарная плитка, талькомагнезит и т.п.).
В Вашем случае, я рекомендую облицовку красным кирпичём на ребро, типа как здесь: https://www.forumhouse.ru/useralbums/6958/view
Посмотреть профильОтправить личное сообщениеОтправить e-mail
Кузнец111



Зарегистрирован: Чт 9 Июль 2015, 22:44
Сообщения: 110
Регион: Могилев -РБ

СообщениеДобавлено: Вт 14 Июль 2015, 21:08 Ответить с цитатойВернуться к началу

Шура писал(а):

Я говорил о двух-контурном конструктиве, с шамотным ядром(на ребро). Облицовка может быть хоть на ребро, хоть на плашку и вообще, из любого подходящего материала(камень, тротуарная плитка, талькомагнезит и т.п.).
В Вашем случае, я рекомендую облицовку на ребро, типа как здесь: https://www.forumhouse.ru/useralbums/6958/view

С двух-контуром благодаря ссылке разобрался, спасибо.

По вопросу доработанной ПТОУ порядовки случайно нет ни где? Sad

_________________
Юрий
Посмотреть профильОтправить личное сообщение
Шура



Зарегистрирован: Чт 8 Январь 2009, 20:09
Сообщения: 4171
Регион: Москва - Тамбов

СообщениеДобавлено: Вт 14 Июль 2015, 23:04 Ответить с цитатойВернуться к началу

Кузнец111 писал(а):
...По вопросу доработанной ПТОУ порядовки случайно нет ни где? Sad

У меня есть только схема...



ПТОУ.jpg
 Описание:
 Размер файла:  18.49 КБ
 Просмотров:  794 раз(а)

ПТОУ.jpg


Посмотреть профильОтправить личное сообщениеОтправить e-mail
Кузнец111



Зарегистрирован: Чт 9 Июль 2015, 22:44
Сообщения: 110
Регион: Могилев -РБ

СообщениеДобавлено: Вт 14 Июль 2015, 23:19 Ответить с цитатойВернуться к началу

internet_pechnik обратил внимание на некоторых порядовках печей во время футеровки кирпич ложком распущен на 2. Раз это применяется в практике то , впринципе топка сузится не должна, если применить такой кирпич. А по характеристика вместо ША 8 можно и ША 5 применить
Кирпич огнеупорный ША-5, ША-8
Кирпич огнеупорный ША общего назначения по ГОСТ 390-96

Кирпич ША 5

Размеры 230*114*65
Вес/кг. - 3,2
Шт./на поддоне 330

Кирпич ША 8

Размеры 230*124*65
Вес/кг. - 3,7
Шт./на поддоне 297

_________________
Юрий
Посмотреть профильОтправить личное сообщение
Slaws



Зарегистрирован: Сб 5 Февраль 2011, 07:19
Сообщения: 19
Регион: Малоярославец

СообщениеДобавлено: Ср 15 Июль 2015, 06:13 Ответить с цитатойВернуться к началу

У ША-8 всегда длина была 250.
Посмотреть профильОтправить личное сообщениеAIM Address
Кузнец111



Зарегистрирован: Чт 9 Июль 2015, 22:44
Сообщения: 110
Регион: Могилев -РБ

СообщениеДобавлено: Сб 18 Июль 2015, 11:44 Ответить с цитатойВернуться к началу

Доброго дня.

Slaws Вы правы , здесь вероятно была опечатка на сайте давшем эту инфу. Тем более сейчас перечитав свою же инфу понял что нет смыла бать ША-5, так как кирпич буду ставить на ложок а его размер в ША-5 и -8 одинаков. С учетом зазора между кирпичами размер топки таким образом уменьшиться максимум на 4-5 см, что впринципе, я так думаю, не критично.
Шура благодарю за схему, но вынужден буду отказаться от этой мысли, не хватит квалификации начинать 1 печь с такого проекта Sad .
В итоге остановился на варианте ПТОУ 2500 с футеровкой топки. Уехал складывать печь на сухую.
Всем отозвавшимся спасибо за помощь!!! Фото отчет , если интересен выложу здесь.

_________________
Юрий
Посмотреть профильОтправить личное сообщение
Шура



Зарегистрирован: Чт 8 Январь 2009, 20:09
Сообщения: 4171
Регион: Москва - Тамбов

СообщениеДобавлено: Сб 18 Июль 2015, 15:01 Ответить с цитатойВернуться к началу

Кузнец111 писал(а):
... благодарю за схему, но вынужден буду отказаться от этой мысли, не хватит квалификации начинать 1 печь с такого проекта Sad .

Напрасно вы боитесь, двух-контурный конструктив гораздо легче для начинающих...

Кузнец111 писал(а):
Фото отчет , если интересен выложу здесь.

Интересно...
Посмотреть профильОтправить личное сообщениеОтправить e-mail
Кузнец111



Зарегистрирован: Чт 9 Июль 2015, 22:44
Сообщения: 110
Регион: Могилев -РБ

СообщениеДобавлено: Сб 18 Июль 2015, 22:37 Ответить с цитатойВернуться к началу

Шура писал(а):

Кузнец111 писал(а):
Фото отчет , если интересен выложу здесь.

Интересно...

Доброго вечера! Ну раз интересно, поехали...
Фундамент...
2 слоя рубероида, 2 ряда кирпича, выведены под уровень заливкой цементного раствора. Пол не ровный в не которых местах фундамент выше уровня пола на 3-4 см.

_________________
Юрий


Фото-0185.jpg
 Описание:
 Размер файла:  407.15 КБ
 Просмотров:  731 раз(а)

Фото-0185.jpg



Фото-0184.jpg
 Описание:
 Размер файла:  500.87 КБ
 Просмотров:  678 раз(а)

Фото-0184.jpg



Фото-0183.jpg
 Описание:
 Размер файла:  397.9 КБ
 Просмотров:  702 раз(а)

Фото-0183.jpg


Посмотреть профильОтправить личное сообщение
Показать сообщения:      
Начать новую темуОтветить на тему


 Перейти:   



Следующая тема
Предыдущая тема
Вы не можете начинать темы
Вы не можете отвечать на сообщения
Вы не можете редактировать свои сообщения
Вы не можете удалять свои сообщения
Вы не можете голосовать в опросах
Вы не можете добавлять приложения в этом форуме
Вы можете скачивать файлы в этом форуме




Проект форум печников "Альянс. Печных Дел Мастера" © 2006-2026